详情介绍
采用两种一字式刮刀头SM70材料是聚氨酯材料,使用寿命长,特别适合东北西北地区冬季。涨紧器有过载保护装置。且调整简单,附SM70参数。
SM70复合胶板技术参数

聚氨酯刮刀材料技术特性表

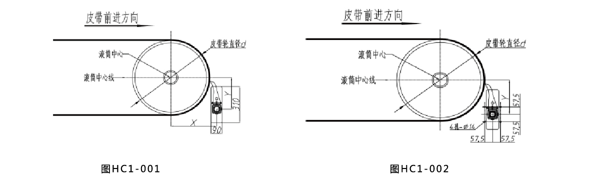
第一道清扫器开孔示意图

重型第一道清扫器安装图

上一篇:没有了!
下一篇:重型二道清扫器HC2
采用两种一字式刮刀头SM70材料是聚氨酯材料,使用寿命长,特别适合东北西北地区冬季。涨紧器有过载保护装置。且调整简单,附SM70参数。




上一篇:没有了!
下一篇:重型二道清扫器HC2